Нови артикули
СКОРОСТНА КУТИЯ GR.3 -1:3.8 ЖЕНСКА НА ПИН
| Техническа информация | |
| Доставчик: | Китай |
| Връщане или замяна: | 14 дни |
| Гаранция: | 6 месеца |
| Предавателно число: | 1:3,8 |
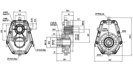
| За хидравлични помпи: | Група 3 |
| Свързване: | Вал за ВОМ – 1" 3/8 – 6 шлица (женски) |
| Входна скорост: | 540 оборота в минута |
| Входящ въртящ момент: | 43,7 даНм |
| Изходна скорост: | 2052 оборота в минута (макс. 3000 оборота в минута) |
| Изходящ въртящ момент: | 11,5 даНм |
| Натоварване: | до 20 kW |
| Тегло на продукта: | 8,3 кг |
| Смазка на предавките: | Масло SAE 90 |
РАЗМЕРИ

ИНСТРУКЦИИ ЗА УПОТРЕБА
1. Предназначение
Скоростната кутия е механично предаване, което увеличава въртящата скорост на изходния вал и позволява работата на хидравлична зъбна помпа чрез вала на ВОМ на трактора.
Използва се за задвижване на:
- хидравлични агрегати,
- горски лебедки,
- рендета за дърва,
- друга хидравлична техника.
2. Позиция на монтаж
Скоростната кутия трябва да бъде монтирана в правилна работна позиция, за да се осигури правилно смазване на предавките. Препоръчва се хоризонтален монтаж, така че помпата и скоростната кутия да са подравнени хоризонтално.
Важно:
- скоростната кутия винаги трябва да бъде монтирана така, че маслото вътре в корпуса да е в контакт с предавателната система,
- дългосрочната работа в обърнато положение не е позволена,
- скоростната кутия трябва да бъде механически подпирана (не трябва да виси само на вала на ВОМ).
3. Посока на въртене
Преди монтаж проверете посоката на въртене на вала на ВОМ и необходимата посока на въртене на хидравличната помпа.
Грешната посока на въртене може да причини повреда на помпата, повреда на уплътненията и лош поток на маслото.
4. Маслено смазване
Скоростната кутия трябва да се смазва непрекъснато с масло вътре в корпуса, за да се осигури правилната работа на предавките. Препоръчителната смазка е зъбно масло SAE 90.
Скоростната кутия трябва да бъде напълнена с масло до контролното ниво.
Преди първоначална употреба отстранете щепсела за пълнене, напълнете агрегата с масло до маркировката за ниво и затворете щепсела.
Преди всяка употреба проверявайте нивото на маслото. Първата смяна на маслото се препоръчва след 50 работни часа, след това на всеки 1500 работни часа или веднъж годишно.
5. Работна температура
Нормалната работна температура на корпуса на скоростната кутия е между 50 и 80°C. Ако превиши 90°C, проверете нивото на маслото, натоварването и подравняването.
6. Поддръжка и възможни проблеми
| Проблем | Възможна причина | Решение |
| Прегряване | Недостатъчно ниво на масло | Проверете нивото на маслото |
| Шум | Износени лагери | Обслужване |
| Вибрации | Грешно подравняване | Проверете монтажа |
| Изтичане на масло | Повредено уплътнение | Смяна на уплътнението |









