New Products
ERC03 GEARBOX FOR ELECTRIC MOTOR MS90 (1.1-1.5KW) RATIO 25:1
Description:
ERC gearboxes are used in combination with electric motors. ERC gearboxes are designed based on a modular system. We can connect different types of motors (classic, frequency, brake ...). It is used in applications such as construction, food industry (meat grinders...), drive belts (rollers, etc.) and more.
The gearbox reduces the revolutions of the electric motor to the value we want to operate with. The gearboxes have a ratio of 25:1.
When installing the gearbox, always ensure that:
- the data on the nameplate corresponds to the data of the ordered item
- the housing and shafts are clean and undamaged
- the surface to which the gearbox is attached is flat and strong enough
- the gearbox and the electric motor shaft fit well
- if there is a possibility of vibrations or jamming, a torque limiter must be installed
- rotating parts are covered with plastic covers
- the device used outdoors must be adequately weather protected
- operating conditions do not cause corrosion (unless previously agreed and the gearbox and electric motor are properly prepared)
- gears, shaft gears, input/output shafts are properly secured so that they do not become radial or axial loads that exceed the maximum allowable limit
- all couplings are coated with anti-corrosion material to prevent oxidation upon contact
- all fastening screws must be securely tightened
- do not tighten the housing feet and mounting flanges against each other and ensure that you observe the allowed radial and axial load.
- Before starting, check the oil level recommended for the mounted position. The oil control and drain screw and the vent valve are easily accessible.
- Never hit pulleys, couplings, gears, etc. on the end of the shaft with a hammer. This will damage the bearing, housing, and shaft
All calculations are based on electric motors with 1400 revolutions. If you are using an electric motor with a different speed than 1400 revolutions per minute, divide the input revolutions by the gearbox ratio to get the output revolutions.
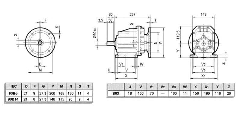
More technical data can be found in the attachment 'DIMENSIONS - DATASHEET'.


%20RAZMERJE%2025proti1.jpg)
%20RAZMERJE%2025proti1.jpg)
%20RAZMERJE%2025proti1.jpg)
%20RAZMERJE%2025proti1.jpg)


