Uudet tuotteet
HYDRAULINEN VENTTIILI P81 AUTOMAATTINEN PUUHAJOTTIMELLE
| Tekniset tiedot | |
| Toimittaja: | Bulgaria |
| Palautus tai vaihto: | 14 päivää |
| Takuu: | 6 kuukautta |
| Nimellinen öljynvirtaus: | 80 l/min |
| Kara-iskun pituus: | ± 7,9 mm |
| Käyttölämpötila-alue: | –40 °C:sta +60 °C:een |
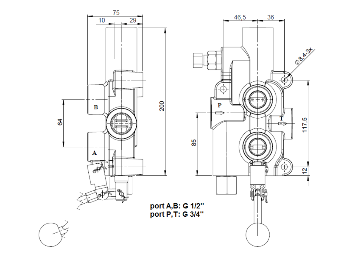
| Liitäntä kierre: | P ja T portti – 3/4", A ja B portti – 1/2" |
| Maks. paine: | P-portti – 250 bar, T-portti – 50 bar, A ja B portti – 300 bar |
| Turvaventtiili: | tehdasasetus 150 bar |
Kuvaus
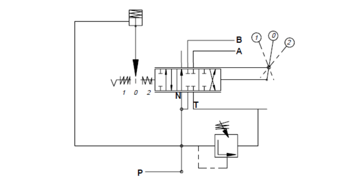
P81 hydrauliventtiili on suunniteltu käytettäväksi halkaisukoneissa. Se sisältää jousipalautuksen yhteen suuntaan ja paineen vapautusjärjestelmän toiseen suuntaan, joka palauttaa vivun automaattisesti keskiöasentoon. P81-venttiilissä on myös manuaalisesti säädettävä turvaventtiili.
Paineen vapautuspinni
Paineen vapautusjärjestelmä mahdollistaa vivun vapauttamisen ja palauttamisen keskiöasentoon. Kun lohko siirretään manuaalisesti paineen vapautusasentoon, öljy ohjataan "B"-osastolle. Kun paine "B"-osastolla ylittää asetetun arvon, paineen vapautuspinni vapauttaa ohjausvivun ja palauttaa sen keskiöasentoon. Tehdasasetus vapautustoiminnolle on 70 bar.
VAROITUS: Jos paineen vapautuspinni on säädetty liian korkealle paineelle, vipu ei palaudu keskiöasentoon. Jos paine on asetettu liian alhaiseksi, paineen vapautuspinni ei pidä vipua vapautusasentoon valmiina.
Säädettävä turvaventtiili – venttiilin vakio tehdasasetus on 150 bar.
Venttiilin vipu voidaan sijoittaa joko "ylös" tai "alas" koneen asennusasennon mukaan. Tämä onnistuu helposti kääntämällä vipu 180°. Kaikki nastat lukitaan turvallisesti DIN 94 -varmistustapeilla.












