Uudet tuotteet
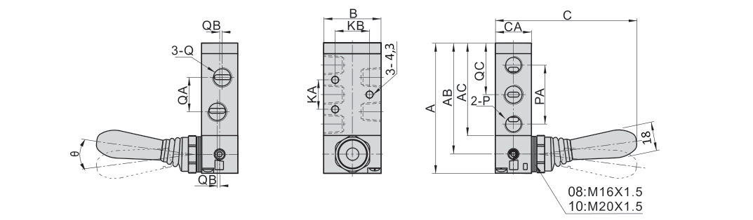
PNEUMAATTINEN KÄSI VENTTIILI 5/2 1/4 PRT-0852-ARV PALUU JOUSTIMELLA

| A | AB | AC | B | C | CA | KA | KB | P | PA | Q | QA | QB | QC | Θ |
| |||||||||||||||
5/2 1/4' ARR | 81,5 | 69,5 | 57,5 | 35 | 90 | 22 | 20 | 23,5 | G 1/8 | 36 | G 1/4 | 21 | 1,5 | 32,5 | 15 |
5/2 1/4' ARV | |||||||||||||||
5/2 3/8' ARR | 101 | 87 | 73 | 40 | 93,5 | 27 | 24 | 27,5 | G 1/4 | 45 | G 3/8 | 24 | 2 | 40,5 | 18 |
5/2 3/8' ARV |
KAAPELIKUVIO 5/2 ARV

PNEUMAATTINEN VENTTIILIT
Pneumaattiset venttiilit säätelevät ilman virtausta järjestelmässä. Avaa, sulje tai osittain estäen, ne hallitsevat ilman virtausta, painetta ja suuntaa mekaanisten prosessien aktivoimiseksi. Pneumaattisia venttiilejä käytetään yleisesti automaatiossa, valmistuksessa, autoteollisuudessa ja monilla muilla aloilla, joissa paineilmaa käytetään energialähteenä.
OHJAUSVENTTIILIT
3/2 suuntaventtiili: sisältää kolme liitäntää ja kaksi asentoa, käytetään tyypillisesti yksitoimisiin sylintereihin.
5/2 suuntaventtiilit: sisältävät viisi liitäntää ja kaksi asentoa, käytetään kaksoistoimisiin sylintereihin.
5/3 suuntaventtiili: sisältää viisi liitäntää ja kolme asentoa, tarjoaa lisäohjausvaihtoehtoja kaksoistoimisiin sylintereihin.
PNEUMAATTISTEN VENTTIILIEN TOIMINNOT
Virran säätö: säätelee järjestelmän läpi kulkevan ilman määrää.
Suuntaohjaus: säätelee suuntaa, jossa ilma aktivoi erilaisia laitteita järjestelmässä.
Paineen säätö: ylläpitää haluttua paineen tasoa järjestelmän vakauden ja tehokkuuden varmistamiseksi.
PNEUMAATTISTEN VENTTIILIEN KÄYTTÖ
Automaatiokäytännöt: käytetään robottikäsivarsissa, kuljetinhihnoissa ja automatisoiduissa tuotantolinjoissa liikkeen ja prosessien hallitsemiseksi.
Valmistus: välttämättömiä pneumaattisten työkalujen, koneiden ja laitteiden hallitsemiseksi.
Autoteollisuus: käytetään ilmajousitusjärjestelmissä, jarrujärjestelmissä ja moottorin ohjauksessa.
Pakkaus: hallitsevat pakkauskoneiden liikettä ja toimintaa.
Pneumaattiset venttiilit ovat ratkaisevan tärkeitä ilman virtauksen ja paineen tarkassa hallinnassa eri teollisissa sovelluksissa optimaalisen toiminnan ja tehokkuuden varmistamiseksi.







