Νέα προϊόντα
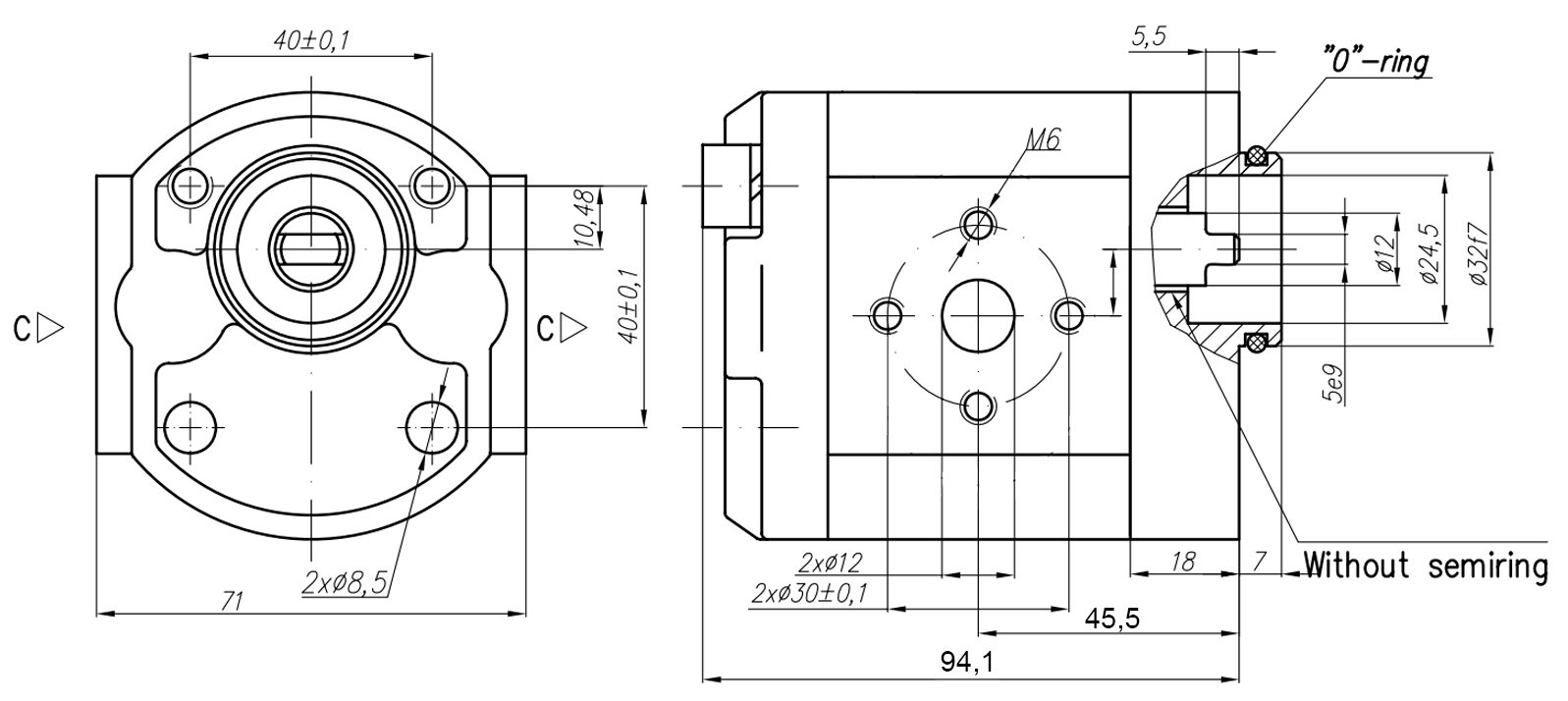
ΥΔΡΑΥΛΙΚΗ ΑΝΤΛΙΑ 10C4.2X179 GR.1 - 4,2cc - ΔΕΞΙΑ
| Τεχνικές πληροφορίες | |
| Προμηθευτής: | Τουρκία |
| Επιστροφή ή ανταλλαγή: | Μη δυνατή |
| Εγγύηση: | 6 μήνες |
| Μοντέλο: | 10C4.2X179 |
| Κατεύθυνση περιστροφής: | Δεξιά (C) |
| Όγκος μετατόπισης: | 4,2 cm3/στροφή |
| Μέγεθος: | GR.1 |
| Ταχύτητα: | μέγ. 3500 σ.α.λ. |
| Θύρα/νήμα σύνδεσης: |
Είσοδος (M = M20x1,5, G = G 1/2", UNF = 7/8"-14 UNF), έξοδος (M = M16x1,5, G = G 3/8", UNF = 9/16"-18 UNF) |
| Ονομαστική πίεση: | 250 bar |
| Ροή: | 5,92 l/min στα 1500 σ.α.λ. και 13,82 l/min στη μέγ. σ.α.λ. |
Περιγραφή
Οι υδραυλικές αντλίες είναι βασικό εξάρτημα κάθε υδραυλικού συστήματος, καθώς μετατρέπουν την μηχανική ενέργεια σε υδραυλική ενέργεια. Χρησιμοποιούνται σε πλήθος εφαρμογών όπως γεωργικά μηχανήματα, κατασκευαστικός εξοπλισμός, βιομηχανικές συσκευές και συστήματα μεταφοράς.
Στην προσφορά μας, θα βρείτε υδραυλικές αντλίες γραναζιών υψηλής ποιότητας σε διάφορα μεγέθη (GR), όγκους μετατόπισης και διαμορφώσεις, εξασφαλίζοντας αξιόπιστη λειτουργία, μεγάλη διάρκεια ζωής και εύκολη εγκατάσταση. Παρέχουν σταθερή ροή λαδιού, υψηλή απόδοση και ελάχιστες απώλειες, συμβάλλοντας στην βέλτιστη απόδοση ολόκληρου του συστήματος.
Διαστάσεις










