Νέα προϊόντα
HYDRAULIC PUMP GR.2 HI-LO 22C3,5/6,5X815R
Κωδικός προϊόντος:
13697
OEM:
9990000102327
Συντελεστής φόρου
22 %
Τιμή χωρίς ΦΠΑ:
254,10 EUR
Τιμή με ΦΠΑ:
310,00 EUR
Ref:
1
Περιγραφή:
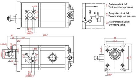
Η υδραυλική αντλία Hi-Low (Υψηλή-Χαμηλή, HL) χρησιμοποιείται σε συστήματα όπου απαιτείται υψηλή και χαμηλή πίεση για τη λειτουργία. Αυτό σημαίνει ότι είναι ιδανική για εφαρμογές όπου απαιτείται αργή κίνηση υπό βαριά φορτία και ταχύτερη κίνηση υπό χαμηλό φορτίο. Η βαλβίδα ανακούφισης ανοίγει στα 65 bar.
Προμηθευτής:
Βουλγαρία
Επιστροφή ή ανταλλαγή:
μη εφικτό
cm/περιστροφές:
μπροστά: 3.5cm3, πίσω: 6.5cm3
βάρος προϊόντος:
5.60 kg
Εγγύηση:
6 μήνες
μέγιστες στροφές:
3000 σ.α.λ.
μέγιστη πίεση:
μπροστά: 250 bar, πίσω: 70 bar










