Νέα προϊόντα
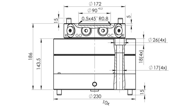
ΥΔΡΑΥΛΙΚΟΣ ΠΕΡΙΣΤΡΟΦΕΑΣ CPR5-01 10000/5000 KG
Περιγραφή:
'ΥΔΡΑΥΛΙΚΟΣ ΠΕΡΙΣΤΡΟΦΕΑΣ CPR5-01 10000/5000 KG'
Ο υδραυλικός περιστροφέας για γραπές δασοκομίας είναι ένα βασικό στοιχείο που χρησιμοποιείται για την αύξηση της αποδοτικότητας και της ευελιξίας στη διαχείριση βαρέων φορτίων όπως κορμούς, κλαδιά και άλλα υλικά. Αυτός ο περιστροφέας είναι συνήθως σχεδιασμένος να προσαρτάται στο άκρο ενός τηλεσκοπικού βραχίονα ή στην κορυφή της γραπής, επιτρέποντας ανεξάρτητη περιστροφή και ακριβή χειρισμό και τοποθέτηση φορτίων.
Υδραυλική λειτουργία: Ο περιστροφέας τροφοδοτείται από υδραυλικά, επιτρέποντας εύκολη και ελεγχόμενη περιστροφή της γραπής. Το υδραυλικό σύστημα επιτρέπει ακριβή έλεγχο της ταχύτητας και της κατεύθυνσης της περιστροφής.
Απεριόριστη περιστροφή: Ένα από τα κύρια χαρακτηριστικά του περιστροφέα γραπής είναι η πλήρης περιστροφή 360 μοιρών. Αυτό σημαίνει ότι μπορεί να περιστρέφεται σε οποιαδήποτε κατεύθυνση, διευκολύνοντας την ανύψωση, την τοποθέτηση και την εκφόρτωση υλικών σε διάφορες θέσεις.
Υψηλή στατική και δυναμική ικανότητα φορτίου: Οι περιστροφείς είναι σχεδιασμένοι να χειρίζονται βαριά φορτία, όπως μεγάλοι κορμοί ή πολλοί κορμοί ταυτόχρονα.
Ανθεκτική κατασκευή: Δεδομένων των απαιτητικών συνθηκών λειτουργίας του δασοκομικού εξοπλισμού, ο σχεδιασμός του περιστροφέα είναι πολύ ανθεκτικός για μέγιστη διάρκεια ζωής.
Σκοπός: Ο υδραυλικός περιστροφέας για γραπές είναι ένα βασικό στοιχείο του σύγχρονου δασοκομικού εξοπλισμού που βελτιώνει την αποδοτικότητα, την ασφάλεια και την ευελιξία στη συγκομιδή και διαχείριση ξυλείας. Κατά την επιλογή ενός υδραυλικού περιστροφέα, είναι σημαντικό να ληφθούν υπόψη οι συγκεκριμένες ανάγκες της επιχείρησης και να διασφαλιστεί η συμβατότητα με τον υπάρχοντα εξοπλισμό.









