Νέα προϊόντα
PMRV-130 ΚΙΒΩΤΙΟ ΤΑΧΥΤΗΤΩΝ ΓΙΑ ΗΛΕΚΤΡΙΚΟ ΜΟΤΕΡ MS100 (4KW) ΑΝΑΛΟΓΙΑ 40:1
Επιπλέον περιγραφή:
| ηλεκτρικό μοτέρ | κιβώτιο ταχυτήτων | ροπή εξόδου M2 [Nm] | παράγοντας ασφαλείας - SF |
|---|---|---|---|
| 4kW (MS100) | RV-130 | 829 | 1.3 |
Περιγραφή:
Τα κιβώτια ταχυτήτων PMRV χρησιμοποιούνται σε συνδυασμό με ηλεκτρικά μοτέρ.
Το κιβώτιο ταχυτήτων μειώνει τις στροφές του ηλεκτρικού μοτέρ στην τιμή που θέλουμε να λειτουργήσουμε. Τα κιβώτια ταχυτήτων έχουν διαφορετικές αναλογίες 7.5:1 - 10:1 - 20:1 - 40:1.
Κατά την εγκατάσταση του κιβωτίου ταχυτήτων, βεβαιωθείτε πάντα ότι:
- τα δεδομένα στην πινακίδα ταυτίζονται με τα δεδομένα του παραγγελθέντος αντικειμένου
- η θήκη και οι άξονες είναι καθαροί και αβλαβείς
- η επιφάνεια στην οποία είναι προσαρτημένο το κιβώτιο ταχυτήτων είναι επίπεδη και αρκετά ισχυρή
- το κιβώτιο ταχυτήτων και ο άξονας του ηλεκτρικού μοτέρ ταιριάζουν καλά
- αν υπάρχει πιθανότητα δονήσεων ή μπλοκαρίσματος, πρέπει να εγκατασταθεί περιοριστής ροπής
- τα περιστρεφόμενα μέρη είναι καλυμμένα με πλαστικά καλύμματα
- η συσκευή που χρησιμοποιείται σε εξωτερικούς χώρους πρέπει να είναι επαρκώς προστατευμένη από τις καιρικές συνθήκες
- οι συνθήκες λειτουργίας δεν προκαλούν διάβρωση (εκτός αν έχει συμφωνηθεί προηγουμένως και το κιβώτιο ταχυτήτων και το ηλεκτρικό μοτέρ είναι κατάλληλα προετοιμασμένα)
- οι οδοντωτοί τροχοί, οι άξονες, οι είσοδοι/έξοδοι είναι σωστά ασφαλισμένοι για να αποφευχθούν ραδινές ή αξονικές φορτίσεις που δεν υπερβαίνουν το μέγιστο επιτρεπτό όριο
- όλες οι συνδέσεις είναι επικαλυμμένες με αντιδιαβρωτικό υλικό για να αποτραπεί η οξείδωση κατά την επαφή
- όλες οι βίδες στερέωσης πρέπει να είναι σφιγμένες με ασφάλεια
Όλοι οι υπολογισμοί βασίζονται σε ηλεκτρικά μοτέρ με 1400 στροφές. Εάν χρησιμοποιείτε ηλεκτρικό μοτέρ με διαφορετική ταχύτητα από 1400 στροφές ανά λεπτό, διαιρέστε τις εισερχόμενες στροφές με την αναλογία του κιβωτίου ταχυτήτων για να λάβετε τις εξόδους στροφών.
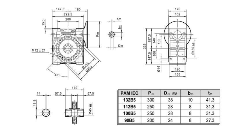
Περισσότερα τεχνικά δεδομένα μπορείτε να βρείτε στο συνημμένο 'ΔΙΑΣΤΑΣΕΙΣ - ΦΥΛΛΟ ΔΕΔΟΜΕΝΩΝ'.







