Novi proizvodi
HIDRAULIČNI VENTIL HIAB 8xPC70 + 2x EURO JOYSTICK 3 POZ
Šifra:
20210
OEM:
9990000086542
Stopa poreza
22 %
Cijena bez PDV:
942,62 EUR
Cijena sa PDV:
1.150,00 EUR
Ref:
12
| Tehničke informacije | |
| Dobavljač: | Bugaraska |
| Povrat ili zamjena: | 14 dana |
| Jamstvo: | 6 mjeseci |
| Nominalni protok ulja: | 70 l/min |
| Maks. protok ulja: | 80 l/min |
| Radni temperaturni raspon: | od -20 °C do +60 °C |
| Navoj priključka: | A, B i P priključak 1/2", T priključak - 3/4" |
| Maks. pritisak: | P priključak – 250 bar, T priključak - 50 bar, A i B priključak – 300 bar |
| Težina: | 33,5 kg |
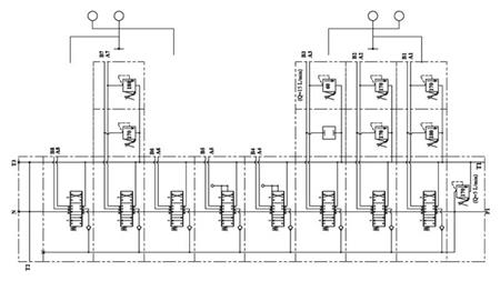
Opis
PC70 je slagani (sekcijski) ventil dizajniran za uporabu na šumarskim prikolicama s dizalicom (HIAB). Omogućuje samo mehaničku kontrolu. Hidraulički ventil sastoji se od osam sekcija.














