Novi proizvodi
HIDRAULIČNI VENTIL HIAB 8xPC70 + 2x JOYSTICK 3 - ELEKTRIČNO UPRAVLJANJE 12V
Šifra:
12510
OEM:
9990000073139
Stopa poreza
22 %
Cijena bez PDV:
967,21 EUR
Cijena sa PDV:
1.180,00 EUR
Ref:
11
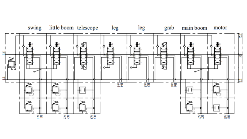
| Tehničke informacije | |
| Dobavljač: | Bugaraska |
| Povrat ili zamjena: | 14 dana |
| Jamstvo: | 6 mjeseci |
| Nominalni protok ulja: | 70 l/min |
| Max. protok ulja: | 80 l/min |
| Radni temperaturni raspon: | od -20 °C do +60 °C |
| Navoj priključka: | Priključci A, B i P 1/2", priključak T - 3/4" |
| Max. tlak: | Priključak P – 250 bar, priključak T - 50 bar, priključci A i B – 300 bar |
| Namoti: |
12/24 V - 60 W (uključi/isključi) |
| Težina: |
32,3 kg |
Opis
PC70 je složivi (sekcijski) ventil dizajniran za uporabu na šumarskim prikolicama s dizalicom (HIAB). Omogućuje i mehaničku i elektroničku kontrolu. Hidraulički ventil sastoji se od osam sekcija.











