Novi artikli
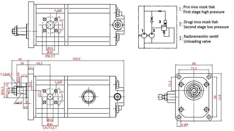
HIDRAVLIČNA ČRPALKA GR.2 HI-LO 22C10/18X815R
Šifra:
13675
OEM:
9990000100361
Stopnja davka
22 %
Cena brez DDV:
254,10 EUR
Cena z DDV:
310,00 EUR
Ref:
3

Informativen izračun ob nakupu na obroke
polog0,00 EUR
3 × 112,23 EUR
polog0,00 EUR
6 × 56,74 EUR
polog0,00 EUR
12 × 29,01 EUR
polog0,00 EUR
24 × 15,15 EUR
polog0,00 EUR
36 × 10,55 EUR
Opis:
Hidravlična črpalka Hi-Low (High-Low, HL), se uporabljajo v sistemih, kjer je potreben visok in nizek tlak za delovanje. To pomeni, da so idealne za aplikacije, kjer potrebujemo počasno gibanje pri velikih obremenitvah in hitrejše gibanje pri nizki obremenitvi. Razbremenilni ventil se odpre pri 65 bar.
Dobavitelj:
Bolgarija
Vračilo ali menjava:
ni možno
cm/vrtljaji:
prednja: 10cm3, zadnja: 18cm3
Teža izdelka:
5,60 kg
Garancija:
6 mesecev
Max. vrtljaji:
3000 vrt/min
Max. tlak:
prednja: 200 bar, zadnja: 70 bar










