Új termékek
SZOROZÓ GR.3 -1:3 FÉRFI VHOD - FÉRFI IZHOD
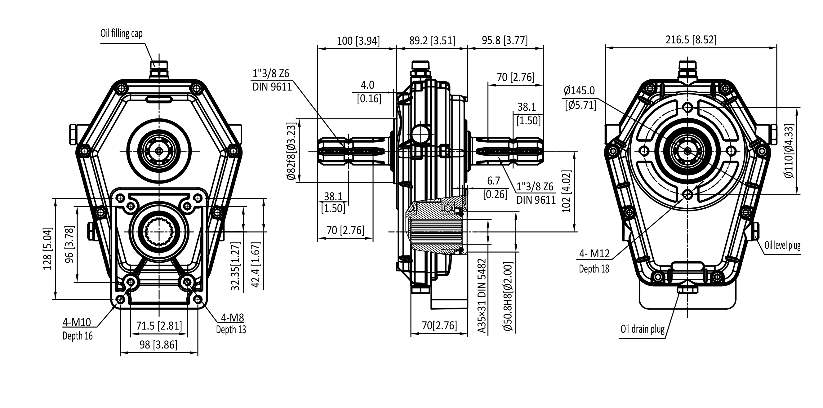
| Műszaki adatok | |
| Szállító: | Kína |
| Visszavétel vagy csere: | 14 nap |
| Garancia: | 6 hónap |
| Átviteli arány: | 1:3 |
| Hidraulikus szivattyúkhoz: | GR. 3 |
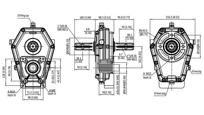
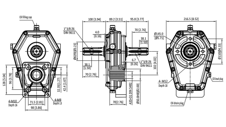
| Csatlakozás: | PTO tengely mindkét oldalon - 1" 3/8 – 6 bordás (külső) |
| Bemeneti fordulatszám: | 540 ford/perc |
| Bemeneti nyomaték: | 49 daNm |
| Kimeneti fordulatszám: | 1620 ford/perc (max. 3000 ford/perc) |
| Kimeneti nyomaték: | 16 daNm |
| Terhelés: | akár 20 kW-ig |
| Termék súlya: | 8,3 kg |
| Hajtómű kenőanyag: | SAE 90 olaj |
MÉRETEK

HASZNÁLATI UTASÍTÁS
1. Cél szerinti használat
A hajtómű mechanikus hajtómű, amely növeli a kimenő tengely fordulatszámát és lehetővé teszi egy hidraulikus fogaskerék-szivattyú működtetését a traktor TLT tengelyén keresztül.
Alkalmazási területek:
- hidraulikus erőegységek hajtása,
- erdészeti csörlők,
- fa hasítók,
- egyéb hidraulikus berendezések.
2. Beépítési helyzet
A hajtóművet helyes működési pozícióban kell felszerelni a fogaskerekek megfelelő kenése érdekében. Ajánlott a vízszintes beépítés, tehát a szivattyúnak és a hajtóműnek vízszintesen kell elhelyezkednie.
Fontos:
- a hajtóművet mindig úgy kell beépíteni, hogy a házban lévő olaj érintkezzen a fogaskerékhajtással,
- tartós fordított helyzetű működtetés nem megengedett,
- a hajtóművet mechanikusan kell megtámasztani (nem lóghat kizárólag a TLT tengelyen).
3. Forgásirány
Beépítés előtt ellenőrizze a TLT tengely forgásirányát és a hidraulikus szivattyú kívánt forgásirányát.
A helytelen forgásirány szivattyúkárhoz, tömítés meghibásodáshoz és rossz olajáramláshoz vezethet.
4. Olajozás
A hajtóművet folyamatosan olajjal kell kenni a házban a fogaskerekek megfelelő működésének biztosítása érdekében. Ajánlott kenőanyag a SAE 90-es fogaskerék olaj.
A hajtóművet olajjal a jelzett szintig kell feltölteni.
Első használat előtt vegye ki a töltődugót, töltse fel olajjal a szintjelzésig, majd zárja vissza a dugót.
Minden használat előtt ellenőrizze az olajszintet. Az első olajcsere 50 működési óra után ajánlott, majd ezt követően 1500 működési óránként, vagy évente egyszer.
5. Működési hőmérséklet
A hajtóműház normál üzemi hőmérséklete 50 és 80 °C között van. Ha meghaladja a 90 °C-ot, ellenőrizze az olajszintet, a terhelést és az illesztést.
6. Karbantartás és lehetséges problémák
| Probléma | Lehetséges ok | Megoldás |
| Túlmelegedés | Nem megfelelő olajszint | Olajszint ellenőrzése |
| Zaj | Elhasználódott csapágyak | Karbantartás |
| Rezgés | Helytelen illesztés | Beépítés ellenőrzése |
| Olajszivárgás | Sérült tömítés | Tömítés cseréje |









