Új termékek
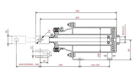
LÉG FÉK HENGER – MEMBRÁN 100 mm
Kód:
13647
OEM:
9990000099726
Adó mértéke
22 %
Ár áfa nélkül:
20.219,80 HUF
Ár áfával:
24.668,15 HUF
Ref:
17
Leírás:
Univerzális dugattyús fékhenger, amely pneumatikus fékezésre lett tervezve. Használják mezőgazdasági, kertészeti, erdészeti és építőipari pótkocsikban, teherautókban, trágyaszórókban, hígtrágya szállítókban, permetezőkben és más olyan berendezésekben, amelyek pneumatikus fékrendszert használnak.
Kompatibilis pótkocsikkal :
Tehnostroj, DAF, Krone, Scania, RVI, MB, MAN, Autosan Sanok: D-35 , D-47 , D-50 D-732 , HL 8011 , HL 6011.
Szállító:
Lengyelország
Visszatérés vagy csere:
14 nap
max. szakaszos nyomás (20 másodperc max.):
120 mm / fi 13 mm
Termék súlya:
3.050 kg
Garancia:
6 hónap
nyújtási hossza:
M22x1.5
build-in Eletronic :
100 mm
henger löket:
140 mm







