Neue Artikel
ÜBERSETZUNGSGETRIEBE GR.2 - 1:3 - MÄNNLICH
| Technische Informationen | |
| Lieferant: | China |
| Rückgabe oder Umtausch: | 14 Tage |
| Garantie: | 6 Monate |
| Übersetzungsverhältnis: | 1:3 |
| Für Hydraulikpumpen: | GR. 2 |
| Anschluss: | Zapfwelle – 1" 3/8 – 6 Nutungen (männlich) |
| Eingangsdrehzahl: | 540 U/min |
| Eingangsdrehmoment: | 18 daNm |
| Ausgangsdrehzahl: | 1680 U/min (max. 3000 U/min) |
| Ausgangsdrehmoment: | 5,5 daNm |
| Belastung: | bis zu 10 kW |
| Produktgewicht: | 5,5 kg |
| Getriebeöl: | SAE 90 Öl |
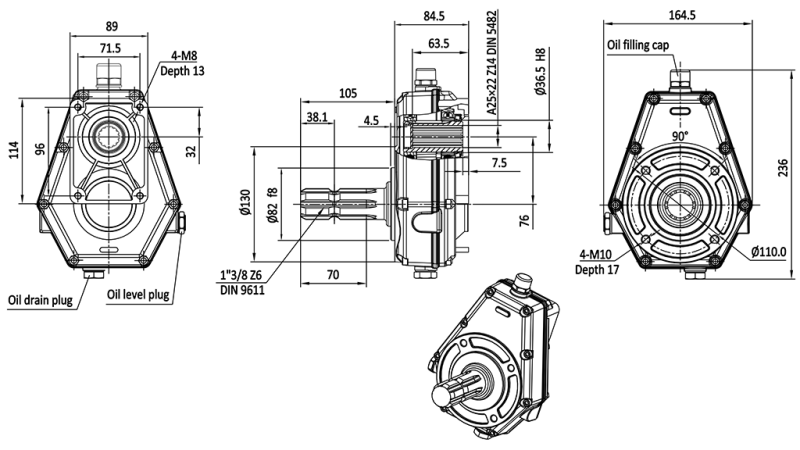
ABMESSUNGEN

GEBRAUCHSANWEISUNG
1. Verwendungszweck
Das Getriebe ist eine mechanische Übertragung, die die Drehzahl der Abtriebswelle erhöht und den Betrieb einer hydraulischen Zahnradpumpe über die Zapfwelle des Traktors ermöglicht.
Es wird zum Antrieb verwendet von:
- hydraulischen Stromaggregaten,
- Forstwinden,
- Holzspaltern,
- anderen hydraulischen Geräten.
2. Einbaulage
Das Getriebe muss in der richtigen Betriebslage eingebaut werden, um eine ordnungsgemäße Schmierung der Zahnräder sicherzustellen. Eine horizontale Montage wird empfohlen, daher sollten Pumpe und Getriebe horizontal ausgerichtet sein.
Wichtig:
- Das Getriebe muss stets so eingebaut werden, dass das Öl im Gehäuse Kontakt mit dem Zahnradantrieb hat,
- ein Langzeitbetrieb in umgekehrter Lage ist nicht erlaubt,
- das Getriebe muss mechanisch abgestützt werden (es darf nicht nur an der Zapfwelle hängen).
3. Drehrichtung
Vor der Montage prüfen Sie die Drehrichtung der Zapfwelle und die benötigte Drehrichtung der Hydraulikpumpe.
Eine falsche Drehrichtung kann Pumpenschäden, Dichtungsfehler und schlechten Ölfluss verursachen.
4. Öl-Schmierung
Das Getriebe muss im Gehäuse kontinuierlich mit Öl geschmiert werden, um den ordnungsgemäßen Betrieb der Zahnräder zu gewährleisten. Das empfohlene Schmiermittel ist Getriebeöl SAE 90.
Das Getriebe muss bis zum Kontrollstand mit Öl befüllt werden.
Vor dem ersten Gebrauch den Einfüllstopfen entfernen, das Gerät bis zur Markierung mit Öl füllen und den Stopfen wieder verschließen.
Vor jedem Gebrauch den Ölstand kontrollieren. Der erste Ölwechsel wird nach 50 Betriebsstunden empfohlen, danach alle 1500 Betriebsstunden oder einmal jährlich.
5. Betriebstemperatur
Die normale Betriebstemperatur des Getriebegehäuses liegt zwischen 50 und 80°C. Wenn sie 90°C überschreitet, prüfen Sie den Ölstand, die Last und die Ausrichtung.
6. Wartung und mögliche Probleme
| Problem | Mögliche Ursache | Lösung |
| Überhitzung | Unzureichender Ölstand | Ölstand prüfen |
| Geräusche | Verschlissene Lager | Wartung |
| Vibrationen | Falsche Ausrichtung | Installation überprüfen |
| Ölleckage | Beschädigte Dichtung | Dichtung ersetzen |









