Neue Artikel
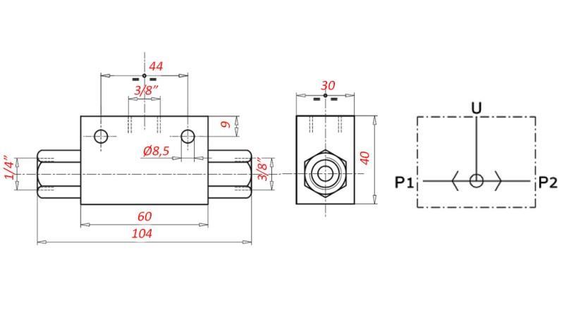
DRUCK UMSCHALTVENTIL 3/8 45 lit
Artikel Nummer
100242
OEM:
9990000036332
Steuersatz
22 %
Preis exklusive Mehrwertsteuer:
18,85 EUR
Preis inklusive Mehrwertsteuer:
23,00 EUR
Ref:
2
Beschreibung:
Das Druckumschaltventil verwendet man bei auswahl von Druckhöhe zwischen zwei Hydraulikleitungen.
P1 und P2 mus man an die Druckleitung anschliessen und "U" an die Steuerung.
Lieferant:
Italien
Max. Druck:
250 bar
Rückerstattung oder Umtausch:
14 Tage
Anschluss:
3/8"
Produkt gewicht:
0,46 kg
Garantie:
6 Monate
Max. Durchfluss:
45 l/min
Max. Druck:
250 bar






