Jauni produkti
HIDRAULISKĀ EĻĻAS DZESĒTĀJS -RHA- 25lit BARN TRANSPORTIERIM
Produkta kods:
20576
OEM:
9990000048670
Nodokļu likme
22 %
Cena bez PVN:
676,23 EUR
Cena ar PVN:
825,00 EUR
Ref:
2
Apraksts:
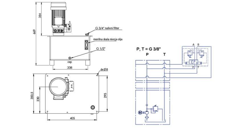
Hidrauliskais eļļas dzesētājs barn transportierim ir patstāvīga vienība, kas ģenerē hidraulisko spiedienu, izmantojot elektromotoru barn transportiera darbībai.
Motora jauda:
4kW
sūkņa plūsma:
8 cc
agregāta plūsma:
12 lit/min
tvertnes tilpums:
25 litri
maks. darba spiediens:
120 bar
vārsts:
RHA - īsā vārsta
Atgriešana vai apmaiņa:
nav iespējams
apgriezieni:
1500 apgr./min
Spriegums:
380V






