Nieuwe artikelen
HANDLEIDING 3-WEG KLEP DF 3/8 - 35LIT
Code:
10223
OEM:
9990000001583
BTW-tarief
22 %
Prijs exclusief BTW:
19,67 EUR
Prijs inclusief BTW:
24,00 EUR
Ref:
19
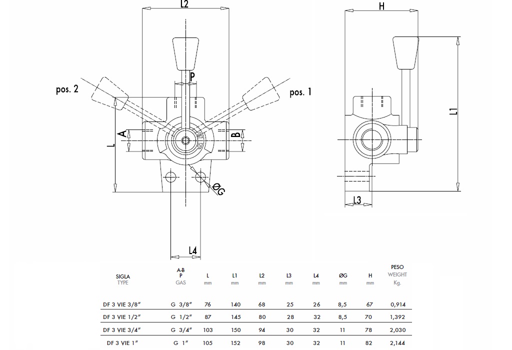
Gebruik:
De klep wordt gebruikt als een driewegklep. De olie stroom wordt verdeeld over twee uitgangen.
Materiaal:
Behuizing: gietijzer, interne onderdelen hardmetaal
Afsluiting: Buna N standaard
Aansluiting:
Verbind 'P' met de drukzijde en 'A' en 'B' met de poorten waar we de olie stroom willen verdelen. Wanneer de hendel in positie '1' staat, wordt de stroom naar poort 'A' geleid, en met de hendel in positie '2' wordt de stroom naar poort 'B' geleid. Wanneer de hendel in de middenpositie staat, zijn de poorten 'P', 'A', 'B' verbonden (geopende midden).
Leverancier:
Italië
Maximale druk:
250 bar
Retour of ruil:
14 dagen
Productgewicht:
1,3 kg
Garantie:
6 maanden
Max. stroom:
35 l/min






