Uued tooted
PROPOTSIONAALNE JUHIKVENTIIL TRAKTORI ESETÕSTUKI ESESESSADELE - OPEN CENTER LVM92 EHP
| Tehniline info | |
|
Tootja: |
Türgi |
|
Tagastus või vahetus: |
14 päeva |
|
Garantii: |
6 kuud |
|
Tüüp: |
AVATUD KESKUS |
|
Tööõhk: |
250 bar |
|
Nimivoolukiirus: |
90 l/min |
|
Ühenduskeerme suurus: |
1/2" |
|
Sektsioonide arv: |
2 |
Kirjeldus
LVM92-EHP on monoblokk-klapp, mis on mõeldud traktorite esi-laadurite jaoks, pakkudes suurepäraseid proportsionaalseid tööomadusi ja lihtsat paigaldust. Selle voolukiirus võib olla kuni 90 l/min ja töörõhk kuni 250 bar.
Klapp võimaldab täielikult elektroproportsionaalset juhtimist, sealhulgas hõljumistoimingu, sõltumata koormusest ja töötingimustest.
Komplektis on klapp, proportsionaaljuhtimisega joystick ja elektrilised ühendused.
Kasutusala

Süsteemi korrektseks toimimiseks järgige hoolikalt kõiki alltoodud samme:
- Tehke ühendus ülaltoodud joonisel näidatud moel.
- Veenduge, et hüdrauliline akumulator on õigesti ühendatud.
- Kontrollige, et sissetulev rõhk ei ületaks 250 bar.
- Veenduge, et nimivoolukiirus oleks 90 l/min.
- Kontrollige, et ühendused sadamate B1, A1, A2 ja B2 vahel on korralikult ühendatud.
- Veenduge, et äravoolu (lekke) toru on õigesti ühendatud.
- Kontrollige, et T (paak) ja P (rõhk) torud on ühendatud ning töötavad korralikult.

- Kui hüdraulilisüsteemis on kaks klappi, ühendage esimese klapi läbiv väljund teise klapi rõhu sissepääsuga.
- Kui kasutatakse ainult ühte klappi, ühendage selle läbiv väljund otse paagi külge.


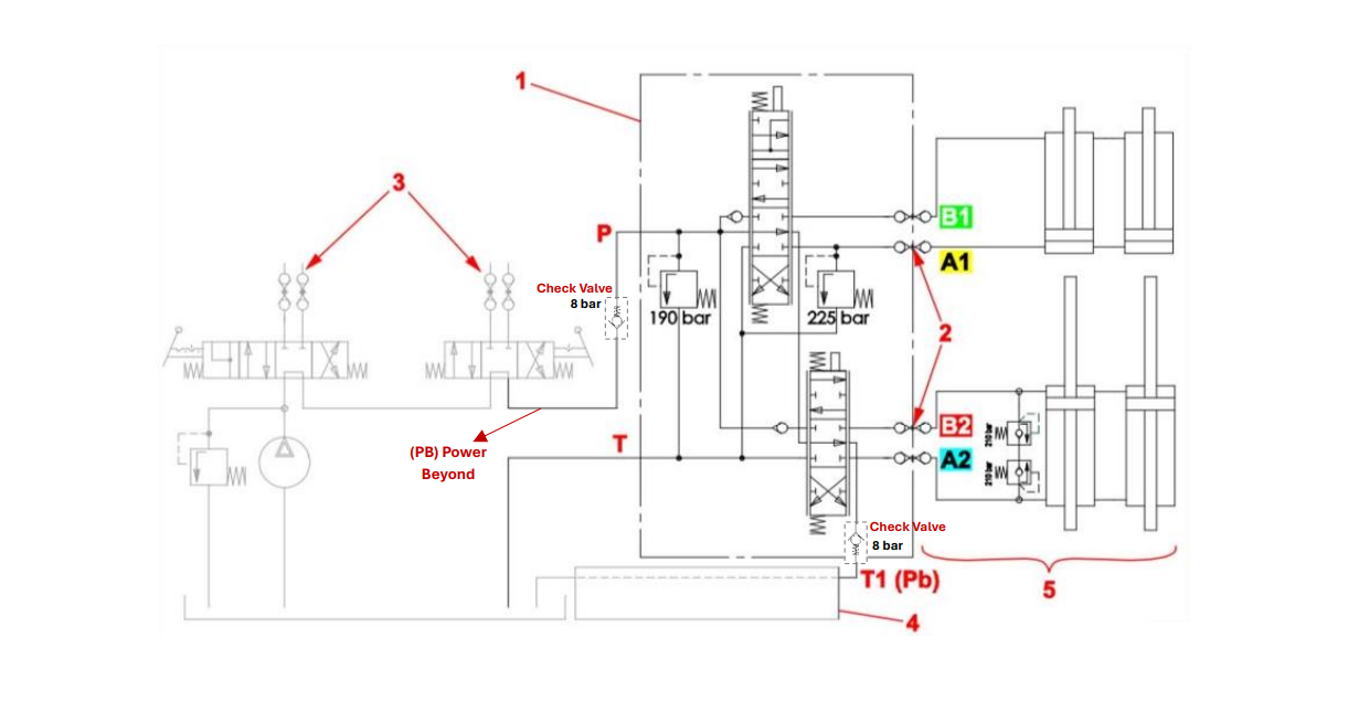
Joonisel on näidatud AVATUD KESKUSE hüdraulikasüsteem:
1. Proportsionaalne klapp (LVM92 EHP) tööriista liidese paremal küljel.
2. Liides traktori esi-laaduri jaoks.
3. Traktorile eelnevalt paigaldatud hüdraulikaklapid, mida saab kasutada teiste tarbijate jaoks.
4. Muud klapid või abiklapid.
5. Traktori esi-laadur.
Avatud keskuse proportsionaalse klapi ühendamiseks traktori hüdraulikasüsteemiga on vaja kolme hüdraulilist toru (P, T1, T):
- P – rõhutorustik
- T – tagasivoolu toru (paak)
- T1 – rõhu edasiandmine (Power Beyond – "PB") + 8 bar vedru takistusega klapp

Ühendage klapp ülaltoodud joonise kohaselt:
- Veenduge, et süsteemi pinge on 12 V.
- Kontrollige, et toitekaabel on õigesti ühendatud.
- Süsteemis peab olema ahelakaabel ja 120 oomi takisti.
- Pärast joysticki ühendamist veenduge, et ACAS-i LED-tuled põlevad roheliselt.
- Kontrollige, et kõik kaablid on korralikult ja kindlalt ühendatud.

- SININE nupp: 6/2 suunavöö klapp (ajutine nupp)
- PUNANE nupp: hõljumistoimingu funktsioon (lukustatav nupp)
- ROHELINE nupp: aeglane/kiire (lukustatav nupp)
Hõljumistoimingu funktsioon: Liigutage joysticki B1 (alla liikumise) suunas. Kui joystick on B1 asendis, vajutage hõljumistoimingu (FLOAT) nuppu, et aktiveerida hõljumismeetod. Hoiatus: Ärge seda toimingut tehke, kui laadur on üles tõstetud liiga kõrgele.









