Novos Produtos
VÁLVULA DE PRIORIDADE 3/4 COM ESCALA E VÁLVULA DE SEGURANÇA 0-110LIT, 0-200BAR
Código do produto:
13099
OEM:
9990000087518
Taxa de imposto
22 %
Preço sem IVA:
102,46 EUR
Preço com IVA:
125,00 EUR
Ref:
3
Descrição:
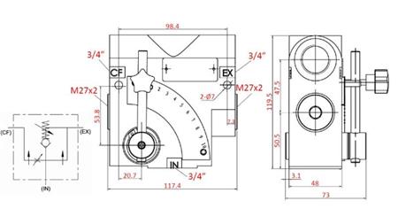
A válvula de prioridade com escala e válvula de segurança é usada para regular o fluxo com compensação de pressão, onde o fluxo muda de acordo com a posição da alavanca. A válvula é montada em uma superfície plana.
Conexão CF (Fluxo Controlado) - O fluxo proveniente da conexão CF é compensado com pressão e é proporcional à posição da alavanca. O fluxo da CF pode ser ajustado conforme desejado.
Conexão EX (Fluxo Excedente) - O fluxo proveniente da conexão EX é compensado. Se a alavanca estiver ajustada para 0, todo o fluxo sairá pela conexão EX. A conexão EX deve ser direcionada para o tanque.
Fornecedor:
Espanha
Devolução ou troca:
14 dias
Peso do produto:
3,80 kg
Garantia:
6 meses
pressão ajustável máxima:
0-200 bar
fluxo máximo ajustável:
0 - 110 l/min
Max. fluxo:
110 l/min
pressão máxima:
200 bar









