Nuovi Prodotti
VALVOLA PROPORZIONALE PER SOLLEVATORE ANTERIORE DEL TRATTORE - LOAD SENSING LVM92 EHP
| Informazioni tecniche | |
|
Fornitore: |
Türkiye |
|
Reso o sostituzione: |
14 giorni |
|
Garanzia: |
6 mesi |
|
Tipo: |
LOAD SENSING |
|
Pressione di esercizio: |
250 bar |
|
Portata nominale: |
90 lit/min |
|
Filettatura di collegamento: |
1/2" |
|
Numero di sezioni: |
2 |
Descrizione
LVM92-EHP è una valvola monoblocco progettata per caricatore frontale, che offre eccellenti caratteristiche di funzionamento proporzionale e facile installazione, con portate fino a 90 l/min e pressioni di esercizio fino a 250 bar.
La valvola fornisce un controllo completamente elettro-proporzionale, inclusa la funzione flottante, indipendentemente dal carico della macchina e dalle condizioni operative.
Il kit include la valvola, un joystick di controllo proporzionale e il cablaggio elettrico.
La funzione Load Sensing garantisce un controllo proporzionale ancora più preciso e una migliore efficienza del sistema.
Applicazione

Per un corretto funzionamento del sistema, seguire attentamente tutti i passaggi seguenti:
- Effettuare il collegamento come mostrato sopra.
- Assicurarsi che l'accumulatore idraulico sia collegato correttamente.
- Verificare che la pressione di ingresso non superi i 250 bar.
- Assicurarsi che la portata nominale di ingresso sia di 90 l/min.
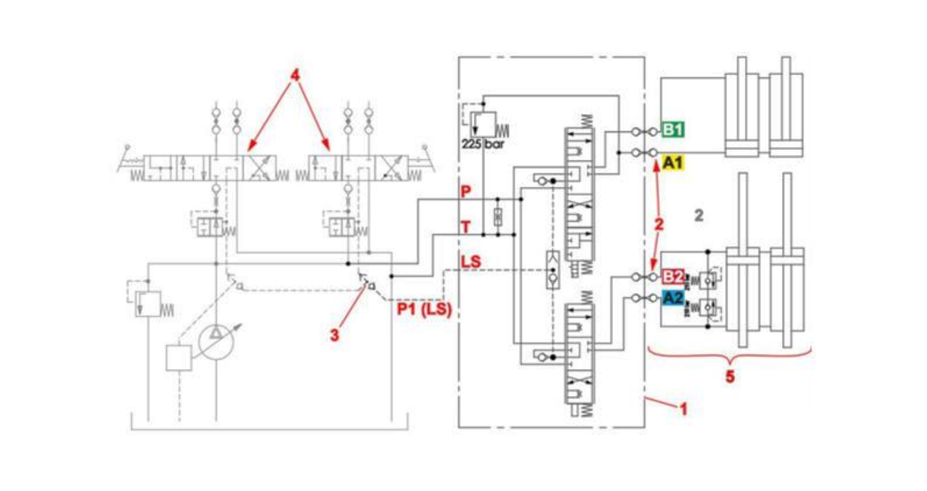
- Controllare che i collegamenti sulle porte B1, A1, A2 e B2 siano correttamente connessi.
- Assicurarsi che la linea di scarico o di perdita sia collegata correttamente.
- Verificare che le linee T (serbatoio) e P (pressione) siano collegate e funzionanti correttamente.



Lo schema mostra un sistema idraulico LOAD SENSING:
1. Valvola proporzionale (LVM92 EHP) sul lato destro dell’interfaccia di attacco.
2. Interfaccia per caricatore frontale del trattore.
3. Valvola shuttle aggiuntiva per Load Sensing.
4. Valvole idrauliche già installate sul trattore che possono essere utilizzate per altri utilizzatori.
5. Caricatore frontale del trattore.
Tre linee idrauliche (P, T, P1) collegano la valvola proporzionale LOAD SENSING al sistema idraulico del trattore:
- P – linea di pressione
- T – linea di ritorno (serbatoio)
- P1 – Load Sensing (LS)

Collegare la valvola come mostrato sopra:
- Verificare che la tensione del sistema sia 12 V.
- Controllare che il cavo di alimentazione sia collegato correttamente.
- Il sistema deve includere un cavo a catena e una resistenza da 120 ohm.
- Dopo aver collegato il joystick, assicurarsi che i LED ACAS si accendano di verde.
- Verificare che tutti i cavi siano saldamente e correttamente collegati.

- Pulsante BLU: valvola di controllo direzionale 6/2 (pulsante momentaneo)
- Pulsante ROSSO: funzione flottante (pulsante a blocco)
- Pulsante VERDE: lento/veloce (pulsante a blocco)
Funzione flottante: Muovere il joystick nella direzione B1 (abbassamento). Mentre il joystick è in posizione B1, premere il pulsante FLOAT per attivare la modalità flottante. Attenzione: Non eseguire questa operazione quando il caricatore frontale del trattore è sollevato troppo in alto.









