Novos Produtos
CAIXA DE CÂMBIO ERC02 PARA MOTOR ELÉTRICO MS80 (0.55-0.75KW) RELAÇÃO 24:1
Descrição:
As caixas de câmbio ERC são utilizadas em combinação com motores elétricos. As caixas de câmbio ERC são projetadas com base em um sistema modular. Podemos conectar diferentes tipos de motores (clássico, frequência, freio ...). É utilizada em aplicações como construção, indústria alimentícia (moedores de carne ...), correias de transmissão (rolos, ..) e mais.
A caixa de câmbio reduz as rotações do motor elétrico para o valor com o qual queremos operar. As caixas de câmbio têm uma relação de 25:1.
Ao instalar a caixa de câmbio, sempre assegure-se de que:
- os dados na placa de identificação correspondem aos dados do item solicitado
- o alojamento e os eixos estão limpos e sem danos
- a superfície à qual a caixa de câmbio está fixada é plana e forte o suficiente
- a caixa de câmbio e o eixo do motor elétrico se encaixam bem
- se houver possibilidade de vibrações ou travamentos, um limitador de torque deve ser instalado
- as partes rotativas estão cobertas com capas plásticas
- o dispositivo utilizado ao ar livre deve estar adequadamente protegido contra intempéries
- as condições de operação não causam corrosão (a menos que previamente acordado e a caixa de câmbio e o motor elétrico estejam devidamente preparados)
- as engrenagens, engrenagens de eixo, eixos de entrada/saída estão devidamente fixados para que não se tornem cargas radiais ou axiais que excedam o limite máximo permitido
- todas as uniões estão revestidas com material anticorrosivo para evitar oxidação ao contato
- todos os parafusos de fixação devem estar bem apertados
- não aperte os pés do alojamento e as flanges de montagem um contra o outro e assegure-se de observar a carga radial e axial permitida.
- Antes de iniciar, verifique o nível de óleo recomendado para a posição montada. O parafuso de controle e drenagem de óleo e a válvula de ventilação são facilmente acessíveis.
- Nunca bata em polias, uniões, engrenagens, etc. na extremidade do eixo com um martelo. Isso danificará o rolamento, o alojamento e o eixo
Todas as cálculos são baseados em motores elétricos com 1400 rotações. Se você estiver usando um motor elétrico com uma velocidade diferente de 1400 rotações por minuto, divida as rotações de entrada pela relação da caixa de câmbio para obter as rotações de saída.
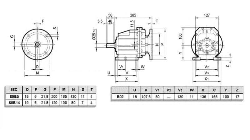
Mais dados técnicos podem ser encontrados no anexo 'DIMENSÕES - FICHA TÉCNICA'.


%20RAZMERJE%2024proti1.jpg)
%20RAZMERJE%2024proti1.jpg)
%20RAZMERJE%2024proti1.jpg)
%20RAZMERJE%2024proti1.jpg)


