Nové položky
ERC02 REDUKTOR PRE ELEKTROMOTOR MS80 (0,55-0,75kW) POMER 24:1
Popis:
ERC prevodovky sa používajú v kombinácii s elektrickými motormi. ERC prevodovky sú navrhnuté na základe modulárneho systému. Môžeme pripojiť rôzne typy motorov (klasické, frekvenčné, brzdové ...). Používa sa v aplikáciách ako stavebníctvo, potravinársky priemysel (mlynčeky na mäso ...), pohonné pásy (valce, ..) a ďalšie.
Prevádzková prevodovka znižuje otáčky elektrického motora na hodnotu, s ktorou chceme pracovať. Prevody majú pomer 25:1.
Pri inštalácii prevodovky vždy zabezpečte, aby:
- údaje na typovom štítku zodpovedali údajom objednaného predmetu
- skriňa a hriadele boli čisté a nepoškodené
- povrch, na ktorý je prevodovka pripevnená, bol rovný a dostatočne pevný
- prevodovka a hriadeľ elektrického motora dobre zapadli
- ak existuje možnosť vibrácií alebo zaseknutia, musí byť nainštalovaný obmedzovač krútiaceho momentu
- otáčajúce sa časti sú zakryté plastovými krytmi
- zariadenie používané vonku musí byť primerane chránené pred poveternostnými vplyvmi
- prevádzkové podmienky nespôsobujú koróziu (pokým nebolo dohodnuté inak a prevodovka a elektrický motor sú riadne pripravené)
- ozubené kolesá, hriadeľové ozubené kolesá, vstupné/výstupné hriadele sú riadne zabezpečené, aby sa nestali radiálnymi alebo axiálnymi zaťaženiami, ktoré presahujú maximálny povolený limit
- všetky spojky sú potiahnuté antikoróznym materiálom, aby sa zabránilo oxidácii pri kontakte
- všetky upevňovacie skrutky musia byť bezpečne utiahnuté
- neutahujte nohy skrine a montážne príruby proti sebe a zabezpečte, aby ste dodržiavali povolené radiálne a axiálne zaťaženie.
- Pred spustením skontrolujte úroveň oleja odporúčanú pre namontovanú polohu. Skrutka na kontrolu a vypúšťanie oleja a odvzdušňovací ventil sú ľahko prístupné.
- Nikdy neudierajte kladivom do kladiek, spojok, ozubených kolies atď. na konci hriadeľa. Týmto poškodíte ložisko, skriňu a hriadeľ
Všetky výpočty sú založené na elektrických motoroch s 1400 otáčkami. Ak používate elektrický motor s inou rýchlosťou ako 1400 otáčok za minútu, vydelte vstupné otáčky pomerom prevodovky, aby ste získali výstupné otáčky.
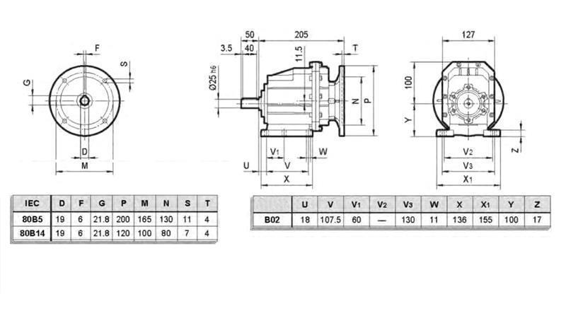
Ďalšie technické údaje nájdete v prílohe 'ROZMERY - TECHNICKÝ LIST'.


%20RAZMERJE%2024proti1.jpg)
%20RAZMERJE%2024proti1.jpg)
%20RAZMERJE%2024proti1.jpg)
%20RAZMERJE%2024proti1.jpg)


