Nové položky
UZÁVER PRE STRANICU - NAPA L
Kód
14507
OEM
9990000172009
Sadzba dane
22 %
Cena bez DPH:
1,64 EUR
Cena s DPH
2,00 EUR
Ref:
91
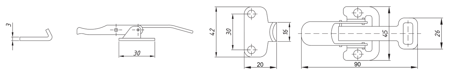
Popis:
Robustný bočný uzáver typu NAPA L, určený pre ťahače a prepravné vozidlá s väčším nákladom. Ide o zosilnené prevedenie západky, ktoré zaisťuje bezpečné a stabilné zatváranie aj pri väčšom zaťažení. Vyrobené z robustného materiálu navrhnutého pre dlhú životnosť a odolnosť voči mechanickému namáhaniu. Preklápacia rukoväť umožňuje jednoduché použitie a rýchle zatváranie.
| Technická špecifikácia | |
| Dodávateľ: | Turecko |
| Vrátenie alebo výmena: | 14 dní |
| Záruka: | 0,04 kg |
| Hmotnosť: | 6 mesiacov |








